В. С. Симанков, Е. В. Луценко
| ↑ | Оглавление | ||
| ← | Введение | Глава 1, «Классификация систем автоматизированного управления» | → |
При управлении каким-либо объектом, в том числе без участия человека, обеспечивается постоянство определенной физической или иной величины, характеризующей состояние объекта, или изменение этой величины в соответствии с некоторым законом на основании конкретной информации о состоянии объекта и окружающей среды. Осуществляется это с помощью автоматизированной системы управления (АСУ).
Объектом исследования в данной работе являются автоматизированные системы управления (АСУ).
АСУ состоит из двух основных частей: объекта управления и управляющего устройства. Объектом управления может быть любое управляемое техническое устройство или какой-либо технологический процесс.
Состояние объекта управления зависит от приложенных к нему воздействий g(t) и от собственных параметров, поэтому характеризуется выходной величиной y(t).
Воздействие g(t), поступающее на вход управляющего устройства и содержащее информацию о требуемом значении y(t), называется задающим воздействием.
Воздействие z(t), поступающее от управляющего устройства на вход объекта для обеспечения в нем желаемого процесса, называется управляющим воздействием.
Воздействие f(t), приложенное к объекту и вызывающее отклонение управляемого параметра от заданного значения, называется возмущающим воздействием (помехой).
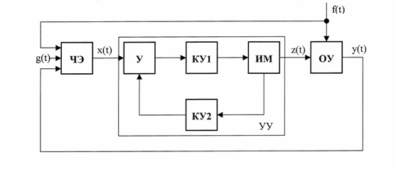
На рис. 1.1 приведена классическая функциональная схема АСУ [13], на которой показаны основные элементы управляющего устройства (УУ).
Задающее воздействие g(t), которое является входным сигналом АСУ и определяет требуемый закон изменения выходного сигнала y(t), поступает на чувствительный элемент (ЧЭ). Кроме того на этот элемент подаются сигналы обратной связи y(t) и возмущающего воздействия f(t).
С выхода ЧЭ сигнал x(t), который является функцией воздействия {x, y, f} и характеризует ошибку (рассогласование) АСУ, усиливается усилителем (У) и поступает на исполнительный механизм (ИМ).

Рис. 1. 1 — Функциональная схема АСУ
ИМ вырабатывает и подает на объект управления (ОУ) управляющее воздействие z(t).
Иногда при формировании управляющего воздействия кроме сигнала ошибки учитываются его производная и интеграл.
Часто для обеспечения требуемых статических и динамических характеристик системы используются корректирующие устройства: последовательные (КУ1) и параллельные (КУ2).
В состав АСУ могут входить еще и специальные элементы для согласования отдельных частей системы, а также вычислительные устройства для реализации алгоритма работы управляющего устройства.
Предметом исследования данной работы являются вопросы создания и применения адаптивных АСУ сложными системами (ААСУ СС).
Очевидно, АСУ является более общим понятием, чем ААСУ СС. Поэтому в содержательной постановке задачи синтеза ААСУ имеется ряд особенностей и специфических проблем, возникающих именно тогда, когда объектом управления является сложная система.
Перед содержательной постановкой задачи синтеза ААСУ СС рассмотрим вопрос о месте данных систем в общей классификации АСУ.
| ↑ | Оглавление | ||
| ← | Введение | Глава 1, «Классификация систем автоматизированного управления» | → |
© Виктор Сафронов, 2006–2017
Пользовательское соглашение | RSS | Поддержать проект | Благодарности